Switch Matrix Troubleshooting

A. Caution
B. Parts Needed
C. Getting Started
D. Understanding the Symbols
E. Other Symbols
E. The IC
F. Decoder IC
G. Using the Probe
H. Early Bally Troubleshooting
– Lamp Board
– Solenoids Board
I. Gottlieb System 1
– Solenoids
J. Williams System 11
– Solenoids
K. Switch Matrix
– the Switch Matrix
– WPC switch matrix
– Early Bally/Stern
Prior to troubleshooting your switch matrix, read the excellent discussion here.
Most of the time, solving a switch matrix problem involves a little detective work. The steps are:
- Identify the switch location.
- Find the switch in the switch matrix table (see manual).
- Test other switches in the same row and column (use test menu – see manual).
- – If all other switches work: defective switch, broken wiring or bad diode.
- – If some other switches in the column or row do not work: broken wire between the switches.
- – If all other column or row switches do not work: defective plug, wire or CPU. This is what we are going to discuss here.

Wires will be Green-Red and White-Orange.
A jolt of solenoid voltage to a switch matrix is deadly. So before troubleshooting, make certain there is no stray voltage present on the switch matrix. Use your DVM to confirm this. Hook one end of the DVM to ground, set the DVM to volts DC and connect the other end to each wire contact on the plugs going to the CPU. To make contact with those wires, it might be necessary to use a small wire.
Failure to find this issue will result in the destruction of your CPU switch matrix again, after it is fixed. Note that most people do not do this step, but it is quick and easy insurance against a catastrophic failure.
Note: For most images, click on the thumbnail for a full sized image.
Understanding the Switch Matrix

The columns are constantly sending out pulses (strobing). But the rows only get a signal when a switch is closed. On the picture to the right, a single switch in row one is closed. The computer knows which column from the timing of the pulse. The computer knows which row from where the signal arrives. If the pulse is from column 3 going to row 1, the switch would be 31 (assuming switches are labeled by column and row).

The image to the right is from a Williams WPC manual explaining the way the switch matrix works. It is nice to understand this, but necessary for troubleshooting.
If you are running into issues where two (or more) switches register when one is closed, or two or more lamps light when only one should; the best guide for troubleshooting false switch or lamps issues we have ever read is on Switch Matrix Troubleshooting.
The guide following is more meant to trace down why an entire column or row is not working.
Note: Click on the images for a larger photo.
Williams / Bally WPC Switch Matrix Testing
First, test the switch matrix in the CPU. Enter the service menu to the switch matrix test. See the manual for this procedure. Then unplug the column and row plugs. Be certain to unplug all of the switch matrix plugs including the cabinet switches (dedicated / direct switches can remain plugged in). In a WPC89 pin, that would be all of the plugs on the bottom of the CPU (see photo below) except plug J205.

Next, connect a small clip lead that would involve a switch that is not working. It must include the column or row that is involved. For example, of the entire row 5 is out, connect a clip lead from any column (J206 or J207) to pin 5 of J208 or J209. Since the switch matrix is not connected, no diode is needed.
To test a column, pick that column and connect it to any row. For example, if column 8 is not working, connect a clip lead from pin 9 of J206 or J207 to any pin on J208 or J209. If that switch in the non-working row or column registers, the board is working. Troubleshoot your plugs and wiring on the playfield or cabinet.
Note that plugs J206 and J207 are identical and either can be used. Also plugs J208 and J209 are identical. Plug J212 is for cabinet switches and pins 1, 2, 3 are columns while 4, 6, 7 & 8 are rows. WPC89 and WPC-S are identical. WPC95 is similar except J208 pins 10 – 14 are not part of the switch matrix. If the issue is a switch matrix row, jump to Williams / Bally WPC Row Testing Procedure, below.
Testing the WPC Switch Matrix With A Digital Probe
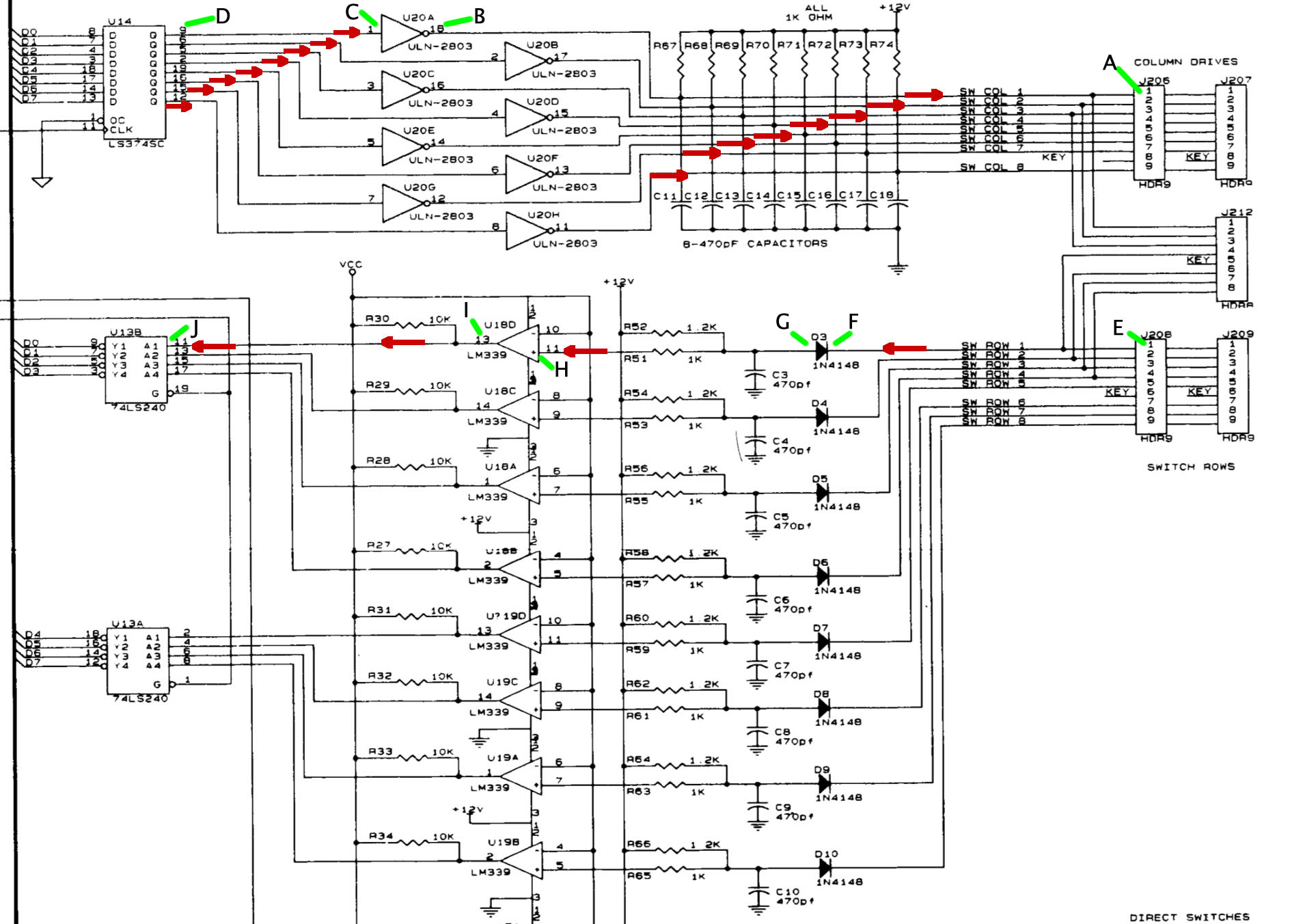
Testing Columns
Testing the columns with a digital probe is relatively simple. Each column should be pulsing all of the time. If it is not, find the problem by tracing where the pulses disappear. First, hook up your digital probe (See “Using the Probe“) to +12V DC and ground. Check to see that it is operating by touching the pins on J206 or J207. All pins (except the broken one) should cause a pulse on the probe. If not, check the connections and settings.

Select the column that is not working (see the circuit diagram). For example, if it is column 1, that would be J206 or J207 pin 1 (A). If you get a pulse, it is working and your problem is not on the board. If it is not pulsing, check the other pins to insure they are pulsing. If they are, then the problem is on this board.
For column 1, if not pulsing at J206 or J207 pin 1, go to U20 pin
18 (B) of ULN-2803. If you get the pulse there, then the problem is a break in the trace on the circuit board between this IC and the plug. Sadly, many of the problems here are due to battery leakage, so look for that.
If not pulsing at U20 pin 18 (B), go to U20 pin 1 (C). If pulsing, then the problem is with U20*.
If not pulsing, go to U14 pin 9 (D). If pulsing, there is a break in the line between U14 pin 9
and U20 pin 1.
If not pulsing at U14 pin 9 (D), then U14 could be defective**. U14 works by converting the digital signal to the pulses we are looking for. Just for fun, insure that those digital pulses are present at those pins 3, 4, 7, 8, 13, 14, 17. If one or more is missing, all your columns should be messed up, not just one.
* Or the resistor package R67 – R74 open or shorted, or C11
shorted, or the trace is shorted to ground, or U20 is not grounded at pin 9.
** Or pin 8 is not grounded, pin 16 does not have +5, or the data coming in pins 3, 4, 7, 8, 13, 14, 17 is missing.
WPC Column Testing Procedure
1) Test (A). If present, problem is not at the board.
If no pulse at (A), test (B). If at (B) expect break in the trace between A & B.
2) If no pulse at (B), test (C). If pulse at (C) expect U20 to be defective.
3) If no pulse at (C), test (D). If pulse at (D), expect break in the trace between (C) and (D).
4) If no pulse at (D), expect U14 to be defective.
Note: prior to replacing an IC check to insure that the IC is grounded and also gets power. A defective resistor package at R67 – R74 can also kill the pulses on the output of U20.
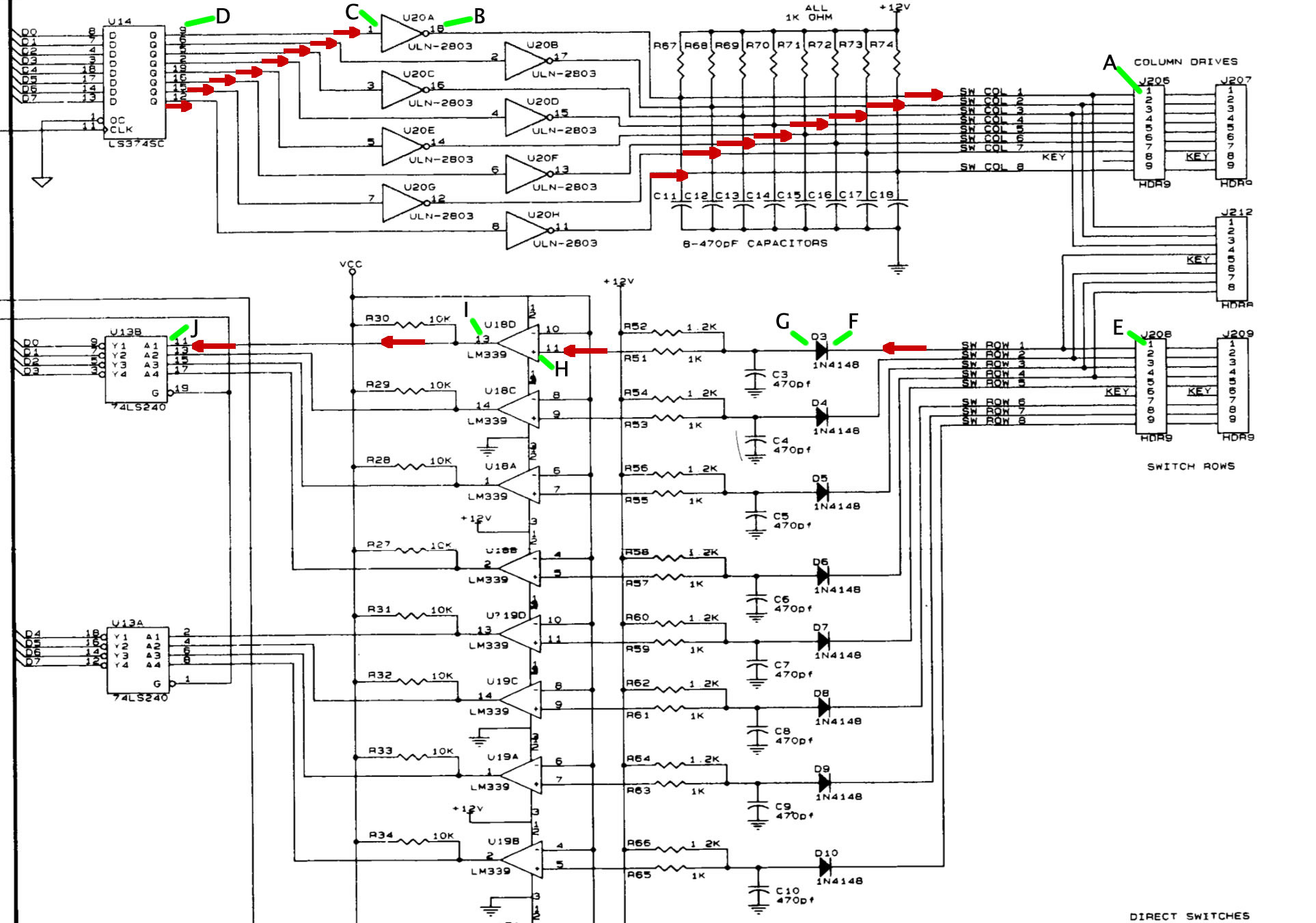
Williams / Bally WPC Row Testing Procedure
First, hook up your digital probe (See “Using the Probe“) to +12V DC. Check to see that it is operating by touching the pins on J206 or J207. All pins should cause a pulse on the probe. If not, check the connections and settings.

Next, consult the switch matrix circuit diagram. The drawing shows the continued pulsing of the columns. Connect a clip lead from any column connection on J206 to the broken row at J208. For example, if row 7 is to be tested, connect to J208 pin #8. In the example, row 1 is under test.
Next, touch your diode to the pin where the clip lead is connected (E). It must pulse or your connection or probe is not working. Then move to diode (F). If no pulse, then the trace is bad – frequently caused by battery leakage.
If there is a pulse, move to the other side of the diode. If no pulse, the diode is bad. Or, the bridge network (R52 – R66) is defective.

If there is a pulse, move to the LM339, U18 or U19. In this case, check leg 11(H). If no pulse, the trace from the diode is bad (again, check corrosion), or less likely the resistor has failed. Go back and check the trace and either side of the resistor to find the break.
If pulsing at leg 11, check the output. In this case it is leg 13 (I). If no pulse, then the LM 339 is defective. Or, less likely, the 10k resistor R30 is bad.
If pulsing at leg 13 (I), move onto the 74LS240, U13, and check the proper leg (J). If not pulsing, other trace is bad between there and (I) the LM339, U18 or U19.
If it is pulsing at (J), then the 74LS240 might be defective. Also check for the presence of pulses at lets 3, 5, 7, 9 (or 12, 14, 16, 18). It is possible for one part of the 74LS240, U13, to be bad. we would replace it and hope it fixes the problem.
Early Bally / Stern Switch Matrix Troubleshooting (-35 & -17)
The bad news is that a digital probe is apparently fairly useless to troubleshoot early Bally / Stern pinball machines. The good news is that the circuit is so simple, that a probe is not that useful.
Perhaps the only application is checking the columns – but even this is doubtful. Connect the digital logic probe to +5 (TP1 or TP3) and ground on the solenoid / voltage regulator board. Turn the game on and unplug J2 on the MPU. Set the probe to TTL and pulse. Touch pins 1 – 5 on J2. The probe should pulse
Unfortunately, this may not prove that the columns strobes are working as there maybe enough noise to set off the probe.
Testing the rows with the probe seems to be a waste of time – if you have better information, please contact us. Mark the DIP switches in the backbox as to which ones are on. Turn them all off (to the right). Turn the game on, unplug J2 and J3 (removes the cabinet switches) and test pins 8 – 15. We find that they all pulse even though nothing is connected.
How to Troubleshoot and Fix Switch Matrix Problems in Early Bally / Stern
Turn off all the DIP switches in the backbox. Turn the game on. Use the small button (Self-Test) in the coin door to put the pin into the switch test mode (press it 5 times – see section VIII of your Bally manual). Nothing should be displayed on the score displays.
Disconnect J2 and J3 from the MPU. Connect a jumper from J2 pin 1 to J2 pin 8 and the switch number corresponding to column 1 – row 1 will appear. Leave it attached to J2 pin 1. Move the connector to J2 -pins 9, through 15. A number on the display should occur each time. Each row has now been tested.
Leave the connector on J2 – pin 15. Move the connector from J2 pin 1 to pins 2 – 5. Now each column has been tested.
If there is a problem, it might be the PIA chip U10. Turn off the power and switch U10 and U11 (watch to make certain they are oriented the same way). If the switch matrix now works, replace the PIA – these are increasingly difficult to find.
If the PIA is good, it could be a bad connector pin / solder, bad diode (if a column issue), bad resistor or bad capacitor. But those rarely go bad.
Next: Troubleshooting Williams 3 – 7 and Williams System 11.
[ work in progress ]
Comments
Comments, including suggestions, improvements, errors, etc. are welcome (see below).
If you have a specific question about your game that does not directly apply to this page, please see our FAQ section.
Additional Resources:
Wikipedia Logic Probe
Digital Logic Probe
Logic Probe 101
How to Use a Logic Probe
Wikipedia Logic Gate
CMOS vs. TTL
http://pinballrehab.com/1-articles/solid-state-repair/repair-guides/146-switch-matrix-theory-and-troubleshooting is hijacked. 🙁
wayback has it at https://web.archive.org/web/20190427050931/http://pinballrehab.com/1-articles/solid-state-repair/repair-guides/146-switch-matrix-theory-and-troubleshooting
It has the video still but not the images… I recommend grabbing what you can to stabilize these valuable resources. I’d love to help but I’m not sure how best to do that.
oops you already have it at https://homepinballrepair.com/pinball-switch-lamp-matrix-troubleshooting/ . You could update the link here and be set! Thanks so much for your efforts.
It took us a while to figure out which link you were talking about.
On this page, “…the best guide for troubleshooting false switch or lamps issues we have ever read is on Switch Matrix Troubleshooting” is already properly linked to
https://homepinballrepair.com/pinball-switch-lamp-matrix-troubleshooting/
But now we see that we did not update it properly in this sentence: “Prior to troubleshooting your switch matrix, read the excellent discussion here.”
Thanks for finding that for us! We have now fixed it. Please continue to find errors. We know there are others, someplace…..